天津市白浪科技有限公司
美国 BRADFORD WHITE 热水炉华北地区总代理
咨询热线
400-665-0331
全预混燃烧技术
自动化全预混控制技术,能够混合理想比例的空气和燃气,使燃烧更充分,提升燃烧效率的同时降低 N0x的排放;
无极调节燃烧器
自动变频运行,可根据实际需求变化,从 20% 负荷到满负荷之间自动调节,精准匹配实际热需求,节省能耗;不锈钢燃烧器外罩金属网丝结构,具备更佳的火焰稳定性;
高效不锈钢换热器
不锈钢材质热交换器,焊接结构无垫圈和其他密封件,通过ASME认证;
电子PID调节控制与彩色触摸屏显示
显示当前工作状态、负荷比例并实时变化,各功能及温区工作时长,故障状态及记录,一切尽在掌握。
智能群控系统
锅炉全自动运行,有多种调节和保护功能,无需人员值守;锅炉内置群控器,多台锅炉可互相连接组 成锅炉群组系统,自动协调每台锅炉的运行状态;
垂直和水平平衡式排烟
CPVC排烟管更大 等效长度30米,轻松解决烟管安装问题。
体积小巧
占地面积小,是同等锅炉占地面积的1/5。
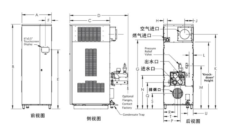
外形尺寸

参数表

上一篇:没有了